بازگشت به لیست پرسش و پاسخ ها

0915*****01
آخرین پاسخ : 1 سال پیش / تعداد پاسخ ها : 2 / پاسخ های پذیرفته شده : 0
(0 بار پسند شده)
قفل مرکزی جک s3 (1 سال پیش)

سلام وقت بخیر همکاران عزیز علت بازوبست شدن هر چند ثانیه یک بار قفل مرکزی درب های جک s3 در حرکت از چی میتونه باشه

تگ ها :   قفل مرکزی
ثبت پاسخ جدید
نکات :
* پاسخ ها پس از درج ابتدا توسط پشتیبان بررسی و سپس منتشر می شوند.
* ضمیمه ها فقط می توانند چند فایل تصویری با فرمت JPG و PNG و با حداکثر مجموع حجم ۱۰۰ مگابایت باشند.
* برای انتخاب چند فایل پس از زدن روی کادر انتخاب فایل، روی کامپیوتر کلید Ctrl را نگه داشته و فایل ها را انتخاب کنید، روی موبایل از تیک زدن فایل ها یا نگه داشتن انگشت روی آن ها برای انتخاب چند فایل استفاده بفرمایید.
  پاسخ ها
0912*****12
1 سال پیش

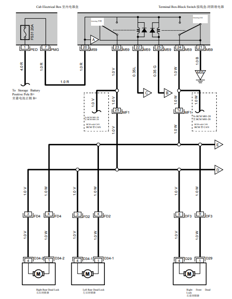
سلام، لطفا اطلاعات بیشتری بدید، مثلا اینکه یک عیب یابی کلی انجام بدید و خطا ها رو داخل هر یونیتی که هست مطرح کنید مخصوصا BCM و مورد بعد اینکه پارامترهای مربوط به قفل مرکزی رو هم چک کنید مخصوصا پارامتر لادری ها و از عملکرد صحیح اونها اطمینان پیدا کنید. نقشه قفل مرکزی جک S3 رو هم ضمیمه کردم میتونه تو عیب یابی کمکتون کنه ضمنا با توجه ایرادات شایع ناشی از شل بودن سوکت ها یا گشاد شدن پین های داخل سوکت حتما اتصالات کانکتوری مرتبط با قفل مرکزی رو چک کنید


ضمیمه ها :

(0 بار پسند شده)

تمامی حقوق مادی و معنوی محفوظ است.©

۱۳۸۵-۱۴۰۴